概述
ZHEYI-4300最大48路萬能輸入無紙記錄儀,可輸入直流電流、直流電壓、頻率、毫伏、熱電偶、熱電阻
等多種信號。具有傳感器隔離配電輸出、繼電器報警輸出、變送輸出、流量積算、溫壓補償、累計報表
、歷史數據轉存、打印以及遠程通訊功能。
功能特點
系統
·采用最新大規模集成電路,國際名廠元器件。
·高速、高性能32位ARM微處理器,可同時實現48路信號檢測、記錄、顯示和報警。
·10.4英寸640×480點陣TFT高亮度彩色圖形液晶顯示,LED背光、畫面清晰、寬視角。
·全隔離萬能輸入,可輸入多種信號,無需挑戰,通過軟件組態即可。
·新型開關電源,85VAV~265VAC范圍內正常工作。
·集成硬件實時時鐘,掉電情況下時鐘也能準確運行。
·提供變送器24VCD隔離配電。
·全鋁密封外殼及內部屏蔽板,保證儀表在惡劣的環境中正常工作。
·大容量FLASH閃存芯片存儲歷史數據,掉電永不丟失數據。
·24路繼電器報警輸出。
信號
·可輸入各種標準信號:直流電流、直流電壓、頻率、毫伏、熱電偶、熱電阻。
·信號全量程精度±0.2%。
·通道間采用光電器件,完全隔離。
·提供標準4-20mA變送輸出。
軟件
·軟件密碼鎖保證用戶組態安全。
·中文菜單組態,可自由組態并顯示工程位號、工程單位。
·工程量顯示范圍:-9999~19999,還支持真空度運算計、及科學計數法顯示。
·同時指示各路通道的下下限、下限、上限、上上限報警,幾率并顯示最近的187條報警信息。
·每個通道均支持流量累計功能,提供小時報表、8小時班報、12小時班報日報+月報等多種報表形式。
·曲線顯示模式可選擇橫向曲線或縱向曲線。
·提供5組曲線組合,每組可自由選擇通道及曲線顏色。
·內置GB2312二級漢字字庫(6500個漢字)。
儀表選型

*18132不能選配T8;8140不能選配T4/T8。
*2只支持專用打印機。
*8、16、24、32、40通道選型尺寸為288*288*168
*48通道選型尺寸為288*288*230
定制功能
*3與廠家聯系確定頻率輸入路數。
配件(另售)

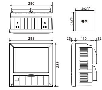
安裝尺寸(單位:mm)
|
外形尺寸(W*H*D) mm
|
安裝尺寸(W*H)
|
|
288*288*168

|
282*282
|
|